Texas Instruments TPS560430/TPS560430-Q1 Buck Regulator
Texas Instruments TPS560430/TPS560430-Q1 SIMPLE SWITCHER® Buck Regulator is an easy-to-use synchronous step-down DC-DC converter capable of driving up to 600mA load current. With a wide input range of 4V to 36V, the device is suitable for various industrial and automotive applications for power conditioning from an unregulated source.The TPS560430/TPS560430-Q1 has 1.1MHz and 2.1MHz operating frequency versions for either high efficiency or small solution size. The TPS560430/TPS560430-Q1 also has FPWM (forced PWM) version to achieve constant frequency and small output voltage ripple over the entire load range. Soft-start and compensation circuits are implemented internally, which allows the device to be used with minimum external components. The Texas Instruments TPS560430-Q1 devices are AEC-Q100 qualified for automotive applications.
Features
- Configured for rugged industrial applications
- 4V to 36V input voltage range
- 600mA continuous output current
- 60ns minimum switching-on time
- 98% maximum duty cycle
- Support startup with pre-biased output
- Short circuit protection with hiccup node
- ±1.5% tolerance voltage reference over temperature from –40°C to 125°C
- Precision enable
- Small solution size and ease of use
- Integrated synchronous rectification
- Internal compensation for ease of use
- SOT-23-6 package
- Various options in pin-to-pin compatible package
- 1.1MHz and 2.1MHz frequency options
- PFM and Forced PWM (FPWM) options
- Fixed 3.3V output option
Applications
- Grid infrastructure (advanced metering infrastructure)
- Motor drive (AC inverters, VF drives, servos, field actuators)
- Factory and building automation (PLC, industrial PC, elevator control, HVAC control
- Aftermarket automotive (camera)
- General-purpose-wide VIN power supplies
Datasheets
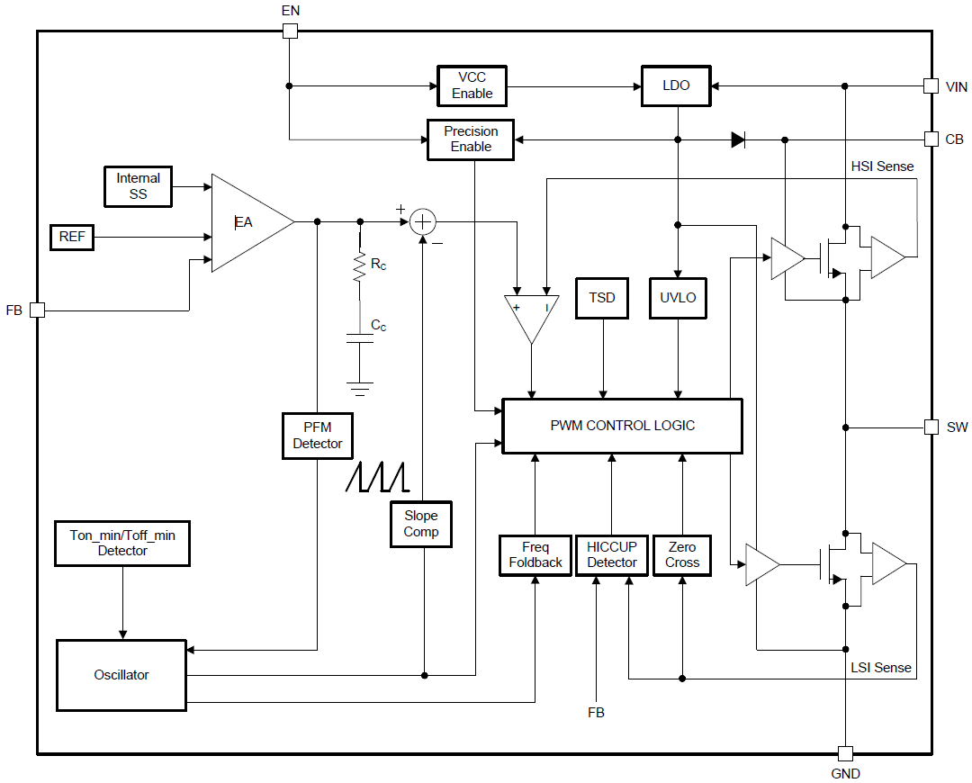
Functional Block Diagram
Inilathala: 2018-06-06
| Na-update: 2024-11-05
