Texas Instruments TPS6521815 User-Programmable Power Management ICs
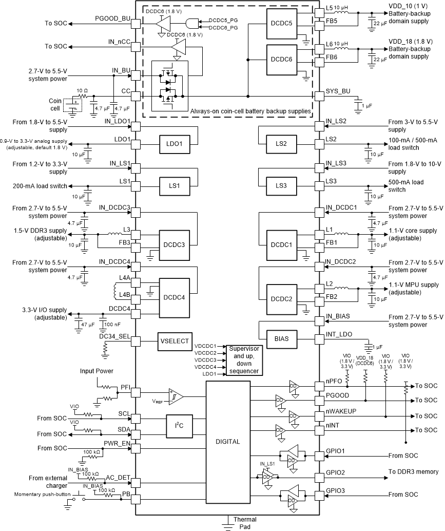
Texas Instruments TPS6521815 User-Programmable Power Management ICs are single-chip power-management ICs (PMICs). The devices are user-programmable to power a variety of SoCs and FPGAs. The Texas Instruments TPS6521815 is characterized across a –40°C to +105°C temperature range, making it ideal for industrial applications.Features
- Three adjustable step-down converters with integrated switching FETs (DCDC1, DCDC2, and DCDC3)
- Up to 1.8A output current
- VIN range from 2.7V to 5.5V
- Adjustable output voltage range of 0.85V to 1.675V (DCDC1 and DCDC2)
- Adjustable output voltage range of 0.9V to 3.4V (DCDC3)
- Power save mode at light load current
- 100% duty cycle for the lowest dropout
- Active output discharge when disabled
- One adjustable buck-boost converter with integrated switching FETs (DCDC4)
- Up to 1.6A output current
- VIN range from 2.7V to 5.5V
- Adjustable output voltage range of 1.175V to 3.4V
- Active output discharge when disabled
- Two low-quiescent current, high-efficiency step-down converters for battery backup domain (DCDC5, DCDC6)
- DCDC5: 1V output
- DCDC6: 1.8V output
- VIN range from 2.2V to 5.5V
- Supplied from system power or coin-cell backup battery
- Adjustable general-purpose LDO (LDO1)
- LDO1: 1.8V default up to 400mA
- VIN range from 1.8V to 5.5V
- Adjustable output voltage range from 0.9V to 3.4V
- Active output discharge when disabled
- Low-voltage load switch (LS1) with 350mA current limit
- VIN range from 1.2V to 3.6V
- 110mΩ (max) switch impedance at 1.35V
- 5V load switch (LS2) with 100mA or 500mA selectable current limit
- VIN range from 3V to 5.5V
- 500mΩ (max) switch impedance at 5V
- High-voltage load switch (LS3) with 100mA or 500mA selectable current limit
- VIN range from 1.8V to 10V
- 500mΩ (max) switch impedance
- Supervisor with built-in supervisor function monitors
- DCDC1, DCDC2 ±4% tolerance
- DCDC3, DCDC4 ±5% tolerance
- LDO1 ±5% tolerance
- Protection, diagnostics, and control
- Undervoltage Lockout (UVLO)
- Always-on pushbutton monitor
- Overtemperature warning and shutdown
- Separate Power-Good output for backup and main supplies
- I2C interface (Address 0x24)
Block Diagram
Inilathala: 2019-12-24
| Na-update: 2024-02-16
