Texas Instruments TPSM656x0 DC/DC Power Modules

Texas Instruments TPSM656x0 DC/DC Power Modules incorporate power MOSFETs, an integrated inductor, and passives in a compact and easy-to-use 5.8mm x 5.2mm x 2.93mm, 19-pin enhanced HotRod™ QFN package. The family of 3A, 2A, 1A, and 65V (70V tolerant) input synchronous step-down DC/DC power modules offers an adjustable output voltage from 1V to 24V and pin-selectable fixed-output voltages of 3.3V and 5V. Facilitating these features, the TPSM656x0 uses ZEN 1 technology to quickly and easily implement a low-EMI design in a small PCB footprint.

The TI TPSM656x0 Modules require the input and output filter capacitors to finish the design and eliminate the magnetics and compensation part selection from the design process. A pin-selectable ±5% or ±10% dual-random spread spectrum (DRSS) significantly reduces peak emissions by combining triangular and pseudo-random modulation while keeping output voltage ripple very low.

Features

  • Functional Safety-Capable
    • Documentation available to aid functional safety system design
  • Versatile synchronous buck DC/DC module
    • Integrated MOSFETs, inductor, capacitors, and controller
    • 3V to 65V wide input voltage range
    • 40ns low minimum on time enables 36V to 3.3V conversion at 2.2MHz
    • -40°C to +150°C junction temperature range
    • 5.80mm x 5.20mm x 2.93mm enhanced HotRod™ QFN package with exposed inductor
    • Pin-configurable 400kHz and 2.2MHz
  • ZEN 1 switcher technology
    • Optimized for ultra-low EMI requirements
    • Facilitates CISPR 32 Class B compliance
    • Mode pin configurable ±5% or ±10% dual-random spread spectrum, reducing peak emissions
    • Enhanced HotRod QFN package with symmetrical pinout
    • Frequency adjustable from 300kHz to 2.2MHz
    • Integrated VIN, VCC, and BOOT capacitors
    • Pin-configurable AUTO or FPWM operation
  • Ultra-high efficiency across the full load range
    • >92% peak efficiency at 24VIN, 5VOUT, 400kHz
    • 2.1µA typical PFM no-load input current
  • Output voltage and current options
    • 3.3V or 5V VOUT fixed output variants
    • Adjustable output voltage from 1V to 24V
    • 3A, 2A, 1A output current options
  • Inherent protection features for robust design
    • Precision enable input and open-drain power- good indicator for sequencing, control, and VIN UVLO
    • Overcurrent and thermal shutdown protections
  • Create a custom design using the TPSM656x0 with the WEBENCH® Power Designer

Applications

  • Industrial transport systems
  • Factory automation and control systems
  • Medical imaging systems
  • Test and measurement systems
  • Aerospace and defense
  • Building automation
  • Power delivery
  • Robotics

Simplified Schematic

Schematic - Texas Instruments TPSM656x0 DC/DC Power Modules

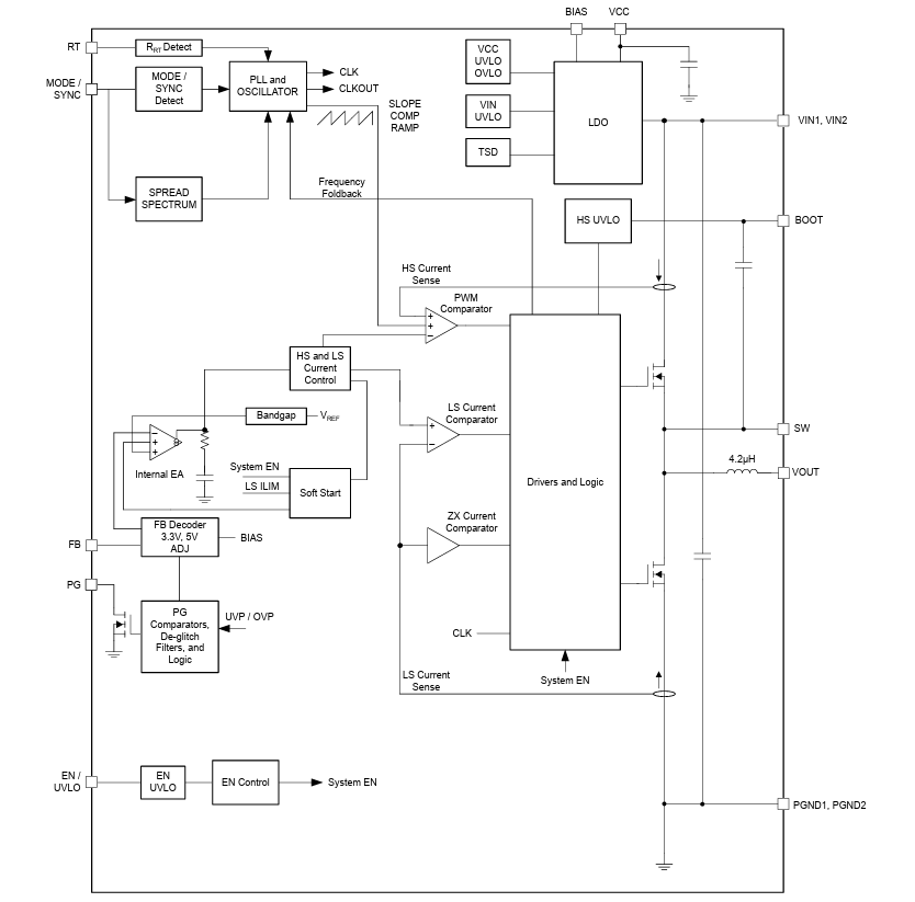
Functional Block Diagram

Block Diagram - Texas Instruments TPSM656x0 DC/DC Power Modules
Inilathala: 2026-02-10 | Na-update: 2026-02-16