Texas Instruments TPSM8S6C24SEVM Evaluation Module
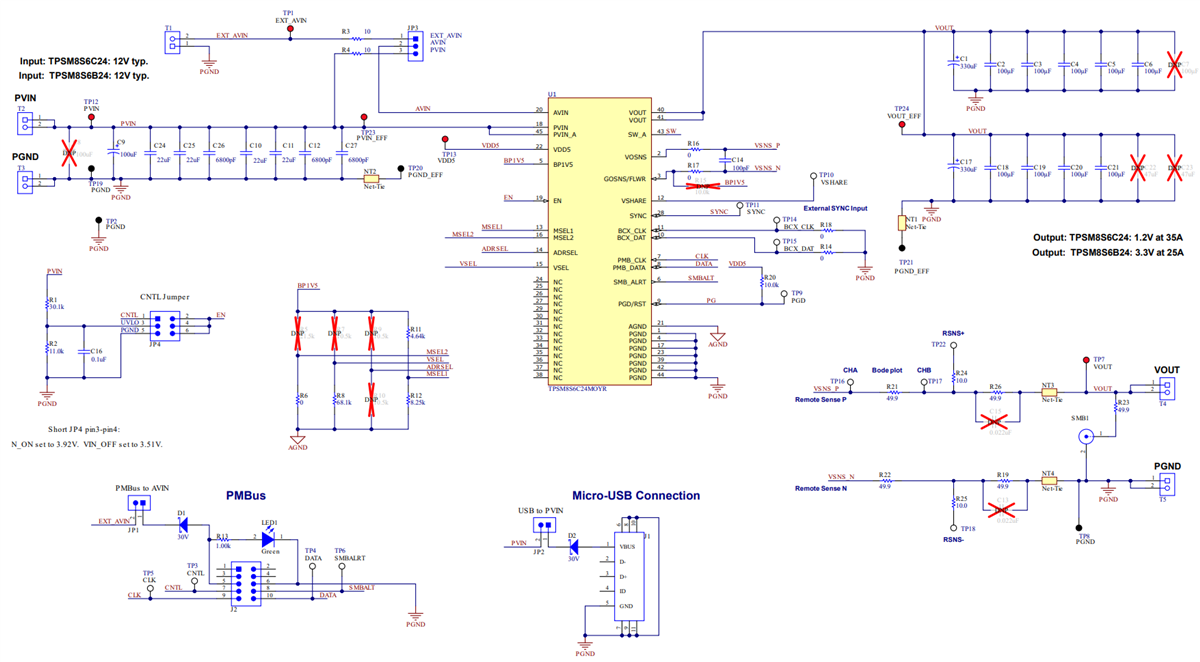
Texas Instruments TPSM8S6C24SEVM Evaluation Module is designed to evaluate the TPSM8S6C24 device and gain familiarity with the device down to PMBus® command and extended write protection. The TPSM8S6C24 is a configurable single-output buck converter module. This evaluation module operates at a 5V to 16V input voltage range. The TPSM8S6C24SEVM evaluation board uses a nominal 12V bus to produce a regulated 1.2V output voltage at up to 35A of load current. This evaluation module allows programming and monitoring via the PMBus interface. The TPSM8S6C24SEVM board is used in data centers, rack servers, active antenna systems, remote radios, baseband units, automated test equipment, MRIs, ASIC, SoC, and FPGAs.Features
- Evaluate the TPSM8S6C24 power module using the provided test points on the EVM
- Evaluate the TPSM8S6C24 device configuration and monitoring using Fusion GUI
- Regulated 1.2V output voltage
- Up to 35A DC output load current
- Convenient test points for probing critical waveforms
- PMBus connector for easy connection with the USB adaptor
Applications
- Active antenna systems
- Data center switches and rack servers
- Remote radios and baseband units
- Automated test equipment, CT, PET, and MRI
- ASIC, SoC, FPGA, DSP core, and I/O voltages
Schematic
Inilathala: 2024-01-10
| Na-update: 2024-02-01
