Texas Instruments UCC24624 Synchronous Rectifier (SR) Controller
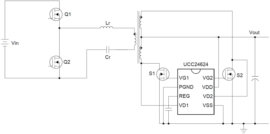
Texas Instruments UCC24624 Synchronous Rectifier (SR) Controller is dedicated to LLC resonant converters to replace the lossy diode output rectifiers with SR MOSFETs and improve the overall system efficiency. The UCC24624 SR controller uses a drain-to-source voltage sensing method to achieve on-and-off control of the SR MOSFET. A proportional gate drive is implemented to extend the SR conduction time and minimize the body diode conduction time. To compensate for the offset voltage caused by the SR MOSFET parasitic inductance, the UCC24624 implements an adjustable positive turn-off threshold to accommodate different SR MOSFET packages. UCC24624 has a built-in 475ns on-time blanking and a fixed 650ns off-time blanking to avoid SR false turn-on and turn-off. UCC24624 also integrates a two-channel interlock function that prevents the two SRs from being on simultaneously. With 230V voltage-sensing pins and 28V ABS maximum VDD rating, it can be directly used in converters with output voltage up to 24.75V. The internal clamp allows the controller to support 36V output voltage easily by adding an external current limiting resistor on VDD.With the built-in standby mode detection based on average switching frequency, UCC24624 enters the standby mode automatically without using external components. The low standby mode current of 180µA supports meeting modern no-load power consumption requirements such as CoC and DoE regulations. The Texas Instruments UCC24624 can be used with the UCC25630x LLC and UCC28056 PFC controllers to achieve high efficiency while maintaining excellent light load and no-load performances. Other PFC controllers, such as UCC28064A, UCC28180, and UCC28070, can be used to achieve higher power levels. A 1.5A peak source and 4A peak sink driving capability allow the UCC24624 to support LLC converters up to 1kW.
Features
- 230V VD pins rating
- 23ns turn-off delay to support LLC operating above resonant frequency and up to 625kHz switching frequency
- Proportional gate drive to extend the SR conduction time
- Adjustable turn-off threshold for minimum body diode conduction
- Automatic standby mode detection with 180µA of low standby current
- Wide 4.25V to 26V VDD operation range with internal clamp
- Adaptive turn-on delay for better DCM ring rejection
- Two-channel interlock to prevent shoot-through
- Integrated 1.5A source and 4A sink capability gate driver for N-Channel MOSFETs
- 8-pin SOIC package
Typical Application Schematic
Inilathala: 2019-04-02
| Na-update: 2023-08-16
