Texas Instruments UCC27614/UCC27614-Q1 Single-Channel Gate Drivers

Texas Instruments UCC27614/UCC27614-Q1 Single-Channel Gate Drivers are high-speed, low-side gate drivers capable of driving MOSFET, IGBT, SiC, and GaN power switches. These drives feature a typical peak drive strength of 10A, which reduces the rise and fall times of the power switches, lowering switching losses and increasing efficiency. The UCC27614 device’s small propagation delay yields better power stage efficiency by improving the dead-time optimization, pulse width utilization, control loop response, and system transient performance. The UCC27614-Q1 drivers are AEC-Q100 qualified for automotive applications. These drivers are used in solar power supplies, high power buffers, pulse transformer drivers, and telecom switch mode power supplies.

The UCC27614 can handle –10V on its inputs, which improves robustness in systems with moderate ground bouncing. The inputs are independent of supply voltage and can be connected to most controller outputs for maximum control flexibility. A separate enable signal allows the power stage to be controlled independently of the main control logic. The gate driver can quickly shut off the power stage if there is a fault in the system (which requires the power train to be turned off). The enable function also improves system robustness. Many high-frequency switching power supplies exhibit high-frequency noise at the gate of the power device, which can get injected into the output pin of the gate driver and can cause the driver to malfunction. The UCC27614 performs well in such conditions due to its transient reverse current and reverse voltage capability.

The strong internal pulldown MOSFET holds the output low if the VDD voltage is below the specified UVLO threshold. This active pulldown feature further improves system robustness. The UCC27614 device’s 10A drive current in the 2mm × 2mm package improves system power density. This small package also enables optimum gate driver placement and improved layout.

Features

  • Typical 10A sink 10A source output currents
  • Input and enable pins capable of withstanding up to –10V
  • The absolute maximum VDD voltage is 30V
  • Wide VDD operating range from 4.5V to 26V with UVLO
  • Available in 2mm x 2mm SON8 package
  • Typical 17.5ns propagation delay
  • EN (Enable) pin in SOIC8 package
  • IN– pin can be used for enable/disable functionality
  • VDD independent input thresholds (TTL compatible)
  • Can be used as inverting or non-inverting driver
  • Operating junction temperature range of –40°C to 150°C

Applications

  • Telecom switch-mode power supplies
  • Power factor correction (PFC) circuits
  • Solar power supplies
  • Motor drives
  • High frequency line drivers
  • Pulse transformer drivers
  • High power buffers

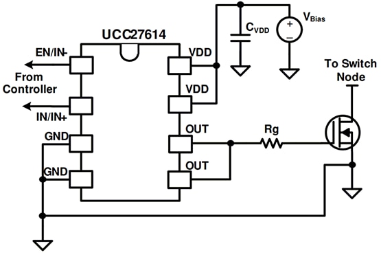
Simplified Application Diagram

Application Circuit Diagram - Texas Instruments UCC27614/UCC27614-Q1 Single-Channel Gate Drivers
Inilathala: 2022-04-11 | Na-update: 2025-05-15