Texas Instruments ADS422x / ADS424x Dual Ultra Low-Power ADCs
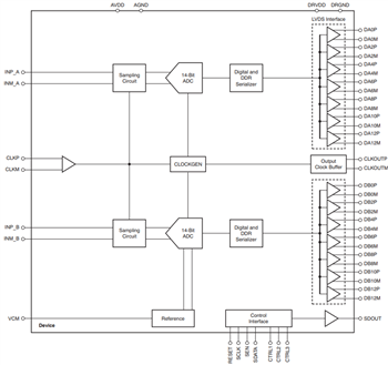
Texas Instruments ADS422x and ADS424x Dual-Channel Analog-to-Digital Converters are low-speed variants of the ADS42xx ultra-low power family of ADCs. The 12-bit TI ADS422x and 14-bit TI ADS424x devices use innovative design techniques to achieve high-dynamic performance while consuming extremely low power with a 1.8V supply. This topology makes TI ADS422x and ADS424x Dual-Channel ADCs ideal for multi-carrier, wide-bandwidth communications applications.Features
- 250MSPS maximum sample rate
- Ultra-low power with single 1.8V supply
- 560mW total power at 250MSPS
- High dynamic performance
- 80dBc SFDR at 170MHz
- 71.7dBFS SNR at 170MHz
- 90dB at 185MHz crosstalk
- Programmable gain up to 6dB for SNR/SFDR trade-off
- DC offset correction
- Output interface options
- 1.8V parallel CMOS interface
- Double data rate (DDR) LVDS with programmable swing
- 350mV standard swing
- 200mV low swing
- Supports low input clock amplitude down to 200mVPP
- 9mm×9mm, 64-pin quad flat no-lead (QFN) package
Applications
- Wireless communications infrastructure
- Software defined radio
- Power amplifier linearization
Design Resources
View Results ( 19 ) Page
| Numero ng Piyesa | Datasheet | Resolusyon | Rate ng Sampling | SNR - Signal to Noise Ratio | Pagkonsumo ng Power |
|---|---|---|---|---|---|
| ADS4245MRGC25EP | ![]() |
277 mW | |||
| ADS4245IRGCT | ![]() |
14 bit | 125 MS/s | 71.4 dB | 277 mW |
| ADS4225IRGCT | ![]() |
12 bit | 125 MS/s | 70.8 dB | 277 mW |
| ADS4229IRGCT | ![]() |
12 bit | 250 MS/s | 70.5 dB | 470 mW |
| ADS4222IRGCT | ![]() |
12 bit | 65 MS/s | 70.9 dB | 183 mW |
| ADS4249IRGCT | ![]() |
14 bit | 250 MS/s | 72.8 dB | 470 mW |
| ADS4242IRGCT | ![]() |
14 bit | 65 MS/s | 73.6 dB | 183 mW |
| ADS4222IRGCR | ![]() |
12 bit | 65 MS/s | 70.9 dB | 183 mW |
| ADS4225IRGCR | ![]() |
12 bit | 125 MS/s | 70.8 dB | 277 mW |
| ADS4226IRGCR | ![]() |
12 bit | 160 MS/s | 70.5 dB | 332 mW |
Inilathala: 2011-12-12
| Na-update: 2025-06-25

