Toshiba TC62D 16-Output LED Drivers
Toshiba TC62D 16-Output LED Drivers offer constant current output for LED modules, displays, and amusement applications. These LED drivers feature 16 output channels which are controllable by a single external resistor. The TC62D LED drivers feature a maximum output voltage of 17V. These LED drivers also provide a built-in power-on-reset and stand-by function.Features
- 8-bit (256 steps) output gain control function
- PWM grayscale function
- Thermal shutdown function
- Output error detection function
- Power-on-reset function
- Stand-by function
- Output delay function
- 16 output channels
- CMOS interfaces (input of a Schmitt trigger)
- Boost topology
- HTSSOP-24 package
Applications
- LED modules
- Lighting displays
Specifications
- 3V to 5.5V supply voltage
- 1.5mA to 90mA output current setup range
- 17V maximum output voltage
- 90mA output current
- 30MHz maximum data transfer frequency
- 33MHz maximum PWM frequency
- -40°C to +85°C operating temperature range
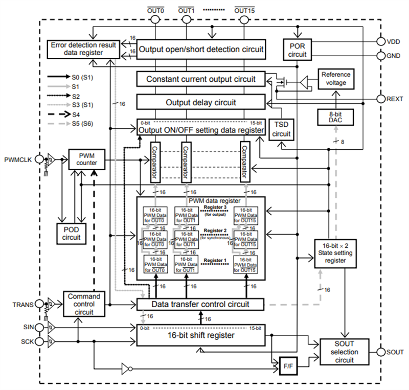
Block Diagram
View Results ( 2 ) Page
| Numero ng Piyesa | Datasheet | Paglalarawan | Input Voltage | Frequency ng Pagpapatakbo | Current ng Output | Pd - Power Dissipation |
|---|---|---|---|---|---|---|
| TC62D722CFNG,C,EL | ![]() |
LED Lighting Driver ICs 16-Channel 90mA 26V LED Driver | 3 V to 5.5 V | 33 MHz | 90 mA | 2.74 W |
| TC62D723FNG,C,EL | ![]() |
LED Lighting Driver ICs LED Driver for LED Displays | 3 V to 5.5 V | 33 MHz | 90 mA | 2.74 W |
Inilathala: 2018-04-17
| Na-update: 2023-02-10

