Trumeter 3400 Series Electronic LCD Counters
Trumeter 3400 Series Electronic LCD Counters feature a large display with 0.28" high characters and a range of industry-standard-sized housings. The 3400 series counts and displays the number of pulses that appear at its input terminal and has a rate of 40 pulses per second. AC or DC inputs are handled by the input interfaces, and these counters offer operating voltage ranges of 10VDC to 300VDC and 20VAC to 300VAC. Trumeter 3400 Series Electronic LCD Counters are suitable for all indoor and outdoor applications, medical devices, test equipment, and control panels.Features
- Totally sealed from moisture and dirt
- AC and DC voltage input in the same unit
- Compact depth
- Fits in existing panel openings
- Always on display
- Versatile design
- Optional remote reset
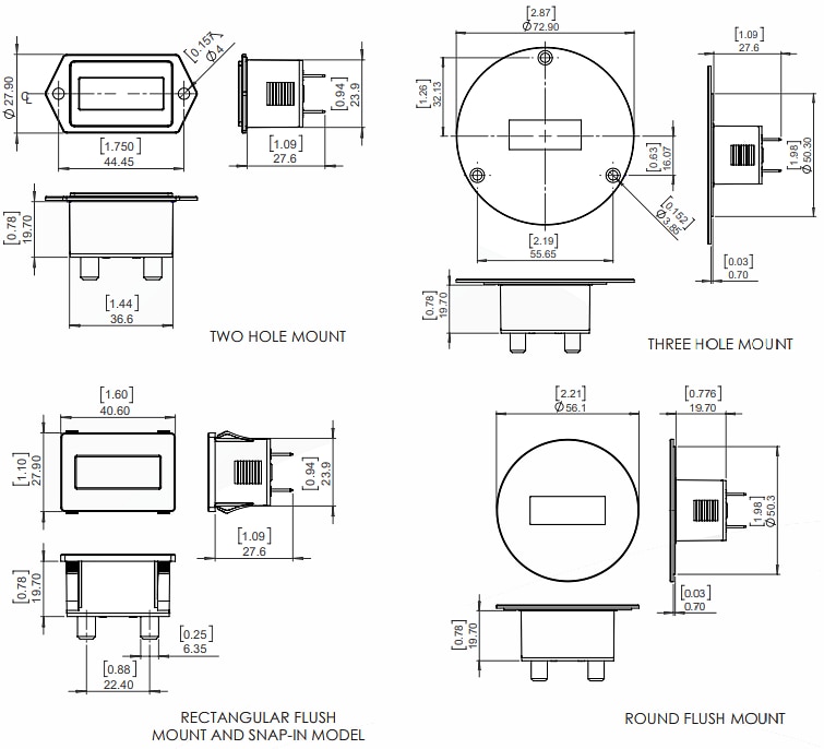
- 5 housings available
Applications
- Indoor and outdoor
- Medical devices
- Test equipment
- Control panels
- Production equipment
- Office equipment
- Secondary equipment
Specifications
- 8-digit display
- 0.28" high characters
- 40 pulses per second
- EN 61326 compliant
- 10VDC to 300VDC operating voltage
- 20VAC to 300VAC operating voltage
- -10°C to +60°C operating temperature range
Dimensions
Inilathala: 2024-02-29
| Na-update: 2024-03-26
