Vishay Semiconductors SiC660 60A VRPower® Integrated Power Stage
Vishay Semiconductors SiC660 60A VRPower® Integrated Power Stage is a high-frequency integrated power stage designed for synchronous buck applications. The Vishay Semiconductors SiC660 provides high current, efficiency, and power density with minimal shutdown current. Housed in Vishay's compact 5mm x 5mm MLP package, it supports voltage regulators delivering up to 60A continuous current per phase. Its internal power MOSFETs, built on Vishay’s advanced TrenchFET® technology, minimize switching and conduction losses for industry-leading performance.Features
- Thermally enhanced PowerPAK® MLP55-31L package
- TrenchFET technology and low-side MOSFET with integrated Schottky diode
- Integrated, low impedance, bootstrap switch
- Power MOSFETs optimized for 12V input stage
- Supports PS4 mode light load requirement with low shutdown supply current (5V, 3μA)
- Zero current detection for improved light load efficiency
- 5V and 3.3V PWM logic with tri-state and hold-off timer
- 5V DSBL#, ZCD_EN# logic with PS4 state support
- High-frequency operation up to 2MHz
- Delivers more than 60A continuous current, 70A peak (10ms), and 100A peak (10μs)
- Over current protection
- Over temperature flag
- Over temperature protection
- Undervoltage lockout protection
- High-side MOSFET short detection
- Effective monitoring and reporting
- Accurate temperature reporting
- Warnings and faults reporting flag
Applications
- Multi-phase VRDs for computing, graphics cards, and memory
- Intel core processor power delivery
- VCORE, VGRAPHICS, VSYSTEM AGENT, VCCGI
- Up to 16V rail input DC/DC VR modules
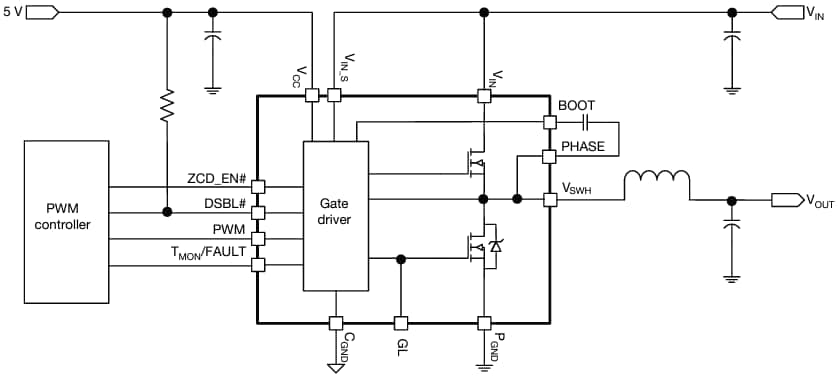
TYPICAL APPLICATION
Inilathala: 2024-11-19
| Na-update: 2025-01-01
