Wolfspeed KIT-CRD-CIL12N-GMA WolfPACK™ Evaluation Board
Wolfspeed KIT-CRD-CIL12N-GMA WolfPACK™ Half-Bridge Evaluation Board is a dynamic characterization tool built to evaluate and optimize the switching performance of the GM3 SiC half-bridge power modules. The Board includes a clamped inductive load (CIL) test circuit with a current measurement that provides a high speed, low inductance test fixture for double pulse testing. The test fixture combined with a chosen gate driver board allows measurement of timing, overshoot, speed, and switching loss.Features
- Optimized for Wolfspeed’s WolfPack GM3 SiC half-bridge power modules
- DC bus voltage up to 1000V
- Onboard 200uF bulk capacitor and high-frequency film capacitor bank
- High speed, low inductance layout with a stray inductance of 4.9nH @10Mhz
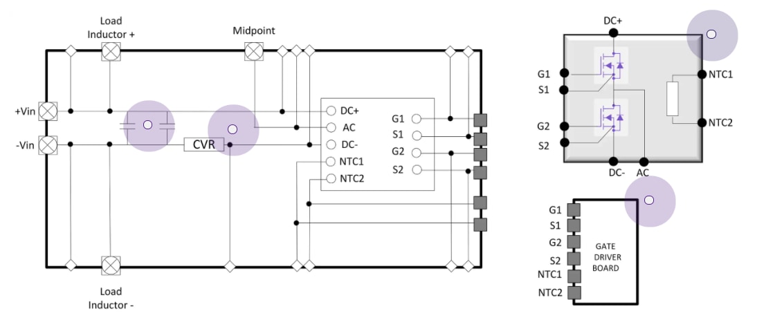
- On-board Current Viewing Resistor (CVR)
- Screw terminal‘s for supply, midpoint, and load inductor connections
Applications
- EV fast charging
- Industrial power
- UPS
- Induction heating welding
- Industrial motor drives
- Power Supplies
- Solar and renewable energy
- Grid infrastructure
Kit Contents
- Fully assembled PCB board
- Reference design files
Additional Resources
COMPONENT LAYOUT
Block DIagram
Inilathala: 2021-11-09
| Na-update: 2022-03-11
