Monolithic Power Systems (MPS) EVM3695-20-PJ-00A Evaluation Board
Monolithic Power Systems (MPS) EVM3695-20-PJ-00A Evaluation Board is designed to evaluate the capabilities of MPM3695-20, a fully integrated, high-efficiency, synchronous step-down power module. This power module achieves up to 25A of continuous output current with excellent load/line regulation. The MPM3695-20 scalable integrated power module operates with high efficiency over a wide load range and can be paralleled to deliver a higher load current. This power module's switching frequency (fSW) can be set between 400kHz and 1MHz. The EVM3695-20-PJ-00A board is ideal for telecom and networking systems, industrial equipment, servers and computing, FPGAs/ASIC AI, and data mining.Features
- Wide input voltage (VIN) range from 3V:
- 3V to 16V VIN with external VCC
- 4V to 16V VIN with internal VCC
- 0.5V to 5.5V output voltage (VOUT) range
- 25A of continuous output current (IOUT)
- Automatic interleaving for multi-phase operation
- Automatic compensation with adaptive Multi-Phase Constant-On-Time (MCOT) for ultra-fast transient response
- ±1% reference voltage (VREF) accuracy (-40°C to 125°C)
- True VOUT remote sense
- Pre-biased output
- Telemetry readback including VIN, VOUT, IOUT, temperature, and faults
- Built-in Multiple-Time Programmable (MTP) memory to store custom configurations
- Configurable via the digital interface:
- Current limit
- Pulse-Skip Mode (PSM) or Continuous Conduction Mode (CCM) selection
- Soft-Start Time (tSS)
- Switching Frequency (fSW) selection:
- 400kHz, 600kHz, 800kHz, or 1000kHz
- Fault limits
- Ramp compensation
- Available in an ECLGA-29 (5mm x 6mm x 4.4mm) package
Applications
- Telecom and networking systems
- Industrial equipment
- Servers and computing
- FPGAs/ASIC AI and data mining
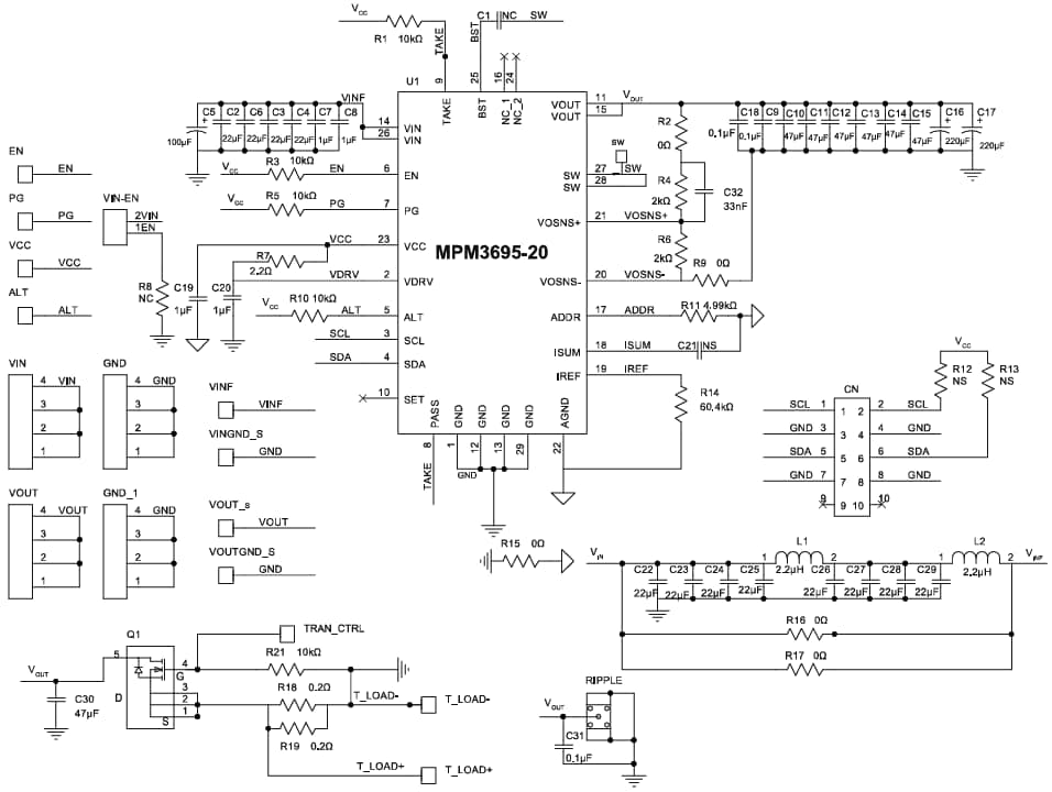
Schematic
Inilathala: 2025-03-26
| Na-update: 2025-04-30
