Monolithic Power Systems (MPS) MPM3695-20 Scalable Integrated Power Modules
Monolithic Power Systems (MPS) MPM3695-20 Scalable Integrated Power Modules with a digital interface offer a complete power solution that achieves up to 25A of continuous output current with excellent load/line regulation over a wide input voltage range. The MPS MPM3695-20 modules operate with high efficiency over a wide load range and can be paralleled to deliver a higher load current. The MPM3695-20 adopts MPS’s proprietary, multi-phase constant-on-time (MCOT) control, that provides ultra-fast transient responses and simple loop compensation. The digital interface provides module configurations and monitoring of key parameters.The MPM3695-20 features full protection features, including over-current protection (OCP), over-voltage protection (OVP), under-voltage protection (UVP), and over-temperature protection (OTP). These power modules require a minimal number of readily available external components and are available in an ECLGA-29 (5mm x 6mm x 4.4mm) package.
Features
- Wide input voltage range from 3V
- 3V to 16V with external VCC
- 4V to 16V with internal VCC
- 0.5V to 5.5V output voltage range
- 25A continuous output current
- Auto interleaving for multi-phase operation
- Auto compensation with adaptive MCOT for ultra-fast transient response
- ±1% reference voltage accuracy (-40°C to +125°C)
- True remote sense of output voltage
- Pre-bias output
- Telemetry read-back including VIN, VOUT, IOUT, temperature, and faults
- Built-in MTP to store custom configuration
- Programmable via digital interface
- Current limit
- Selection of pulse-skip mode or Continuous Conduction Mode (CCM)
- Soft-start time
- Selection of switching frequencies from 400kHz, 600kHz, 800kHz, and 1000kHz
- Fault limits
- Ramp compensation
- ECLGA-29 (5mm x 6mm x 4.4mm) package
- Moisture Sensitivity Level (MSL) 3
Applications
- Telecom and networking systems
- Industrial equipment
- Servers and computing
- FPGAs/ASIC AI and data mining
Specifications
- 4V to 16V operating supply voltage range
- 0.5V to 5.5V operating output voltage range
- 3V to 3.6V operating external VCC bias
- 4mA maximum supply current (shutdown)
- 5W maximum power dissipation
- 400kHz to 1000kHz programmable switching frequency, 600kHz typical
- 50ns minimum on-time
- 220ns minimum off-time
- -40°C to +125°C operating junction temperature range
Videos
Typical Application Circuits
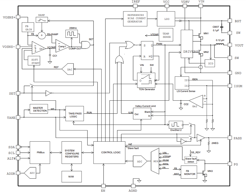
Functional Block Diagram
Inilathala: 2025-02-25
| Na-update: 2025-03-26
