Qorvo QPB8958 RF Amplifiers
Qorvo QPB8958 RF Amplifiers are GaAs Pseudomorphic High Electron Mobility Transistors (pHEMT) / Metal Semiconductor Field Effect Transistor (MESFET) with 75Ω push-pull RF amplifier. These ICs are designed to support DOCSIS 3.1 applications up to 1003MHz with a single 24V supply. The QPB8958 RF amplifier ICs feature over 34dB of flat gain and 4.5dB low noise. Qorvo QPB8958 RF Amplifiers offer low noise and low distortion at a high-efficiency that consumes only 5.8W in a 5mm x 7mm QFN package. Applications include DOCSIS 3.1, broadband CATV hybrid modules, headend CMTS equipment, and 75Ω amplifiers.Features
- High gain of 34dB @ 1003MHz
- Adjustable bias
- 50MHz to 1003MHz bandwidth
- 46dBmv/ch flat
- 4.5dB low noise
- Excellent composite distortion
- pHEMT / MESFET device technologies
- The compact size of 40-pin 5mm x 7mm QFN package
- 260mA to 5.8W power consumption
Applications
- DOCSIS 3.1
- Broadband CATV hybrid modules
- Head end CMTS equipment
- 75Ω amplifiers
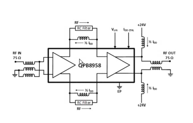
QPB8958 Functional Block Diagram
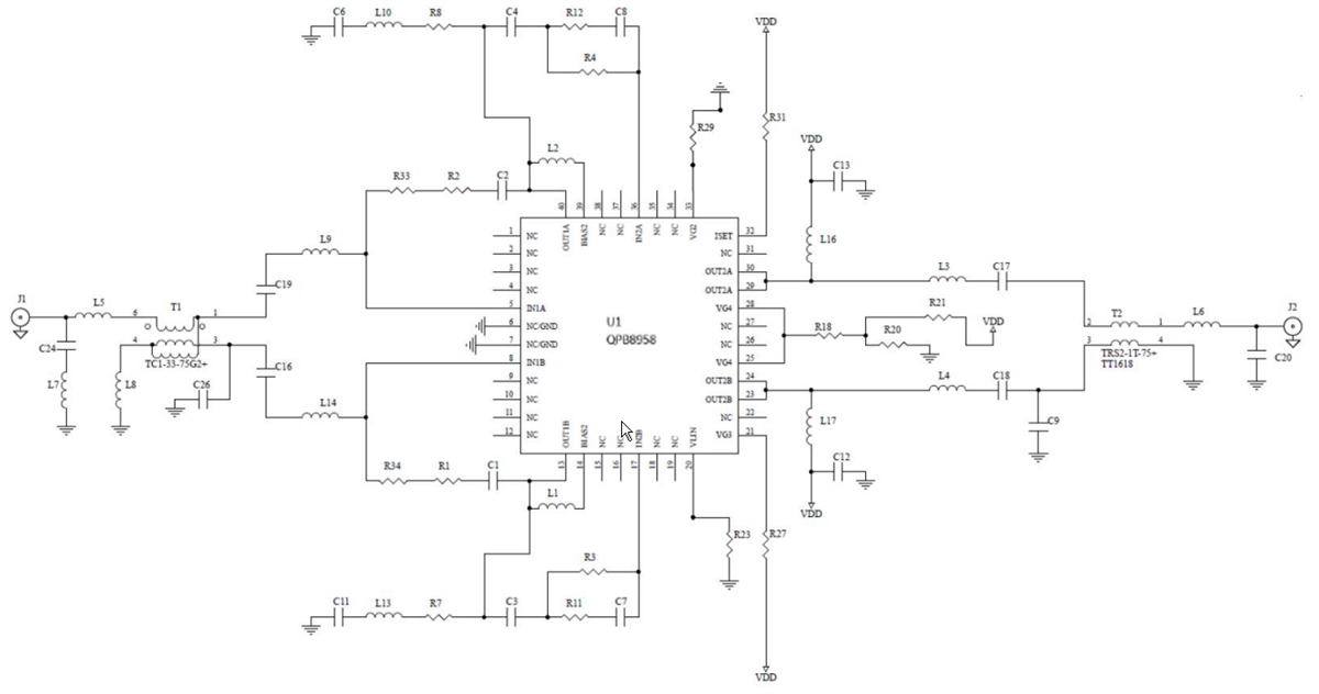
Typical Application Schematic
Inilathala: 2018-11-15
| Na-update: 2023-02-02
