ROHM Semiconductor BD9V101MUF-EVK-001 Evaluation Board
ROHM BD9V101MUF-EVK-001 Evaluation Board is configured to evaluate the operation of the BD9V101MUF-LB. The BD9V101MUF-LB is a current mode synchronous buck converter that uses high voltage rated power MOSFETs. ROHM BD9V101MUF-EVK-001 Evaluation Board features an output voltage of 5.0V (typ.) and an output current of 1.0A. The board does not have any switches or settings to configure resulting in ease-of-use.Features
- FR-4 material
- 1.6mm board thickness
- 1oz copper thickness
- 80mm x 100mm board size
- 0.15mm minimum copper width
- 0.15mm minimum air gap
- 0.3mm minimum hold gap
Applications
• Industrial equipment
• Consumer supplies
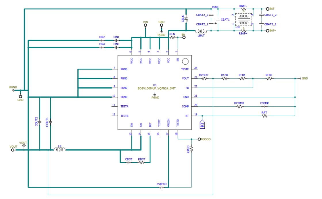
Schematic
Layout
Inilathala: 2019-05-09
| Na-update: 2024-01-24
