ROHM Semiconductor BD9V10xMUF Buck Converters

ROHM Semiconductor BD9V10xMUF Buck Converters are current mode synchronous buck converters integrating high voltage power MOSFETs. These buck converters feature a wide input range from 16V to 60V and a short minimum pulse width of 20ns. The BD9V10xMUF buck converters feature Nano Pulse Control™, which enables direct conversion from 60V to 3.3V at 2.1MHz. Typical applications include industrial equipment and consumer supplies.

BD9V10xMUF Configuration

ROHM Semiconductor BD9V10xMUF Buck Converters

The BD9V10xMUF DC/DC converters achieve a high step-down ratio of 24:1 with switching at 2MHz. These buck converters replace the current two-step step-down with a single-step step-down in mild hybrid vehicles' 48V power supply systems. This feature reduces space requirements and simplifies the power supply system. The BD9V10xMUF buck converters provide solutions for miniaturization and avoidance of AM radio interference in automotive subsystems.

Nano Pulse Control™

ROHM Semiconductor BD9V10xMUF Buck Converters

The BD9V10xMUF buck converters feature a low switching ON time of 9ns for a power supply IC to realize the 24:1 step-down ratio. This is attained through the Nano Pulse Control™ technology, which utilizes an ultra-fast pulse control circuit and high-voltage BiCDMOS processes. The switching ON time of 9ns is 1/10th the typical ON time of conventional ROHM products.

Features

  • Nano Pulse Control™ enables direct conversion from 60V to 3.3V at 2.1MHz
  • SW minimum ON time 20ns (maximum)
  • Synchronous switching regulator integrating power MOSFETs
  • Soft start function
  • Current mode control
  • Over-current protection
  • Input under-voltage lock-out protection and input over-voltage lock-out protection
  • Thermal shutdown protection
  • Output over-voltage protection
  • Short circuit protection
  • Wettable flank QFN package

Specifications

  • 16V to 60V input voltage range
  • 0.8V to 5.5V output voltage range
  • 1A maximum output current
  • 1.9MHz to 2.3MHz operating frequency
  • ±2% reference voltage accuracy
  • 0µA (typical) shutdown circuit current
  • Operating temperature range
    • -40°C to 125°C for BD9V100MUF-CE2
    • -40°C to 150°C for BD9V101MUF-LB

Applications

  • Industrial equipment
  • Consumer supplies

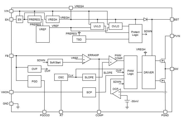
BD9V10xMUF Buck Converters Block Diagram

Block Diagram - ROHM Semiconductor BD9V10xMUF Buck Converters

BD9V10xMUF Buck Converters Application Circuit

Application Circuit Diagram - ROHM Semiconductor BD9V10xMUF Buck Converters

Videos

Inilathala: 2018-04-03 | Na-update: 2023-02-24