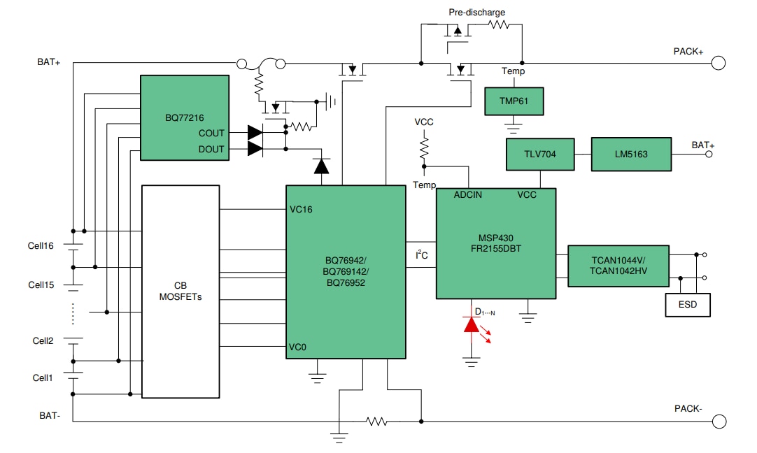
Texas Instruments TIDA-010208 Battery Pack Reference Design
Texas Instruments TIDA-010208 10s to 16s Battery Pack Reference Design provides high accuracy for each cell voltage, pack current, cell, and MOSFET temperature. The Li-ion, LiFePO4 battery pack is protected against cell overvoltage, cell undervoltage, overtemperature, charge and discharge over current, and discharge short-circuit situations.The TI TIDA-010208 has low standby and ship-mode current consumption and high cell voltage accuracy in a 10s to 16s Lithium-ion (Li-ion), LiFePO4 battery pack design. The design employs high-side N-channel MOSFET architecture and has powerful driving on and off capability.
Through an efficient auxiliary power supply strategy, the TIDA-010208 achieves 100μA standby and 10μA ship mode consumption, saving more energy and permitting a longer shipping and idle time. These reference design features allow for ideal suitability for e-bike and e-scooter battery pack applications.
Features
- High cell voltage accuracy without calibrations:
- ±5mV at 25°C; ±10mV at 0°C–60°C; ±15mV at –40°C to 85°C
- Robust battery cell protection, including:
- Primary - cell overvoltage, cell undervoltage, two levels overcurrent discharge, overcurrent charge, discharge short circuit, and overtemperature
- Secondary - cell over voltage, cell undervoltage, and overtemperature
- Ultra-low current consumption:
- Typical 100μA when in standby mode
- Typical 10μA when in shipping mode
- Other system protections, including cell open wire and host watchdog
- Support random cell connections
- Reverse charger and high voltage on PACK side
- High-side N-channel MOSFETs and strong driving capability
Applications
- Battery pack – e-bike, e-scooter, LEV
- Other industrial battery packs (≥10s)
Block Diagram
Inilathala: 2023-01-27
| Na-update: 2024-09-16
